ALP系列设备特点
- 模高变化小,动态中心偏差小;模具寿命大幅提升;冲压之变形量小;
- 下料剪断噪音小高精度密度工的实现,低噪音的实现,便利性操作的实现。
- 固锁式六面导路;高刚性机身;低综合间隙。
| 机型 | unit | ALP-25 | ALP-35 | ALP-45 | ALP-60 | ALP-80 | ALP-110 | ALP-160 | ALP-200 | ALP-260 | ALP-315 | ||||||||||
| 型式 | Ton | V | H | V | H | V | H | V | H | V | H | V | H | V | H | V | H | V | H | V型 | H型 |
| 行程 | mm | 60 | 30 | 70 | 40 | 80 | 50 | 120 | 60 | 150 | 70 | 180 | 80 | 200 | 90 | 200 | 100 | 250 | 150 | 250 | 150 |
| 行程数 | S.P.M | 60-140 | 130-200 | 40-120 | 110-180 | 40-100 | 100-150 | 35-90 | 80-120 | 35-80 | 80-120 | 30-60 | 60-90 | 20-50 | 40-70 | 20-50 | 50-70 | 20-40 | 40-50 | 20-40 | 40-50 |
| 能力发生点 | mm | 3.2 | 1.6 | 3.2 | 1.6 | 3.2 | 1.6 | 4 | 2 | 4 | 2 | 6 | 3 | 6 | 3 | 6 | 3 | 7 | 3.5 | 7 | 3.5 |
| 最大闭合工作高度 | mm | 200 | 215 | 220 | 235 | 250 | 265 | 310 | 340 | 340 | 380 | 360 | 410 | 460 | 510 | 460 | 510 | 500 | 550 | 500 | 550 |
| 滑块调整量 | mm | 50 | 55 | 60 | 75 | 80 | 80 | 100 | 110 | 120 | 120 | ||||||||||
| 上工作台面积 | mm | 470*220*50 | 520*250*50 | 560*300*60 | 700*360*70 | 770*420*70 | 910*470*80 | 990*550*90 | 1130*630*90 | 1130*700*100 | 1200*800*100 | ||||||||||
| 下工作台面积 | mm | 680*300*70 | 800*400*70 | 850*440*80 | 900*500*80 | 1000*550*90 | 1150*600*110 | 1250*800*140 | 1400* | 1500*840*180 | 1700*950*180 | ||||||||||
| 模柄孔 | mm | Φ38 | Φ38 | Φ38 | Φ50 | Φ50 | Φ50 | Φ65 | Φ65 | Φ65 | Φ70 | ||||||||||
| 主马达 | KW*P | 2.2*4 | 2.2*4 | 3.7*4 | 5.5*4 | 7.5*4 | 11*4 | 15*4 | 18.5*4 | 22*4 | 30*4 | ||||||||||
| 滑块调整机构 | mm | ManuaI opearation | EIectric driving | ||||||||||||||||||
| 使用空气压力 | kgf/cm2 | 5-6 | 5-6 | 5-6 | 5-6 | 5-6 | 5-6 | 5-6 | 5-6 | 5-6 | 5-6 | ||||||||||
| 冲床精度 | CNS(JIS)1cIass | ||||||||||||||||||||
| 冲床((长*宽*高) | mm | 1390*920*2125 | 1450*900*2300 | 1650*1040*2390 | 1670*1090*2750 | 1820*1328*3005 | 1970*1458*3218 | 2285*1559*3610 | 2465*1790*4058 | 2585*1945*4433 | 2900*1950*4600 | ||||||||||
| 模垫(特别附件) | — | One Plate One Cylinder | One Plate One Cylinder | One Plate One Cylinder | One Plate One Cylinder | One Plate One Cylinder | One Plate One Cylinder | One Plate One Cylinder | One Plate One Cylinder | One Plate One Cylinder | |||||||||||
| 能力 | Ton | — | 2.3 | 2.3 | 3.6 | 3.6 | 6.3 | 10 | 14 | 14 | 14 | ||||||||||
| 行程 | mm | — | 50 | 50 | 70 | 70 | 80 | 80 | 100 | 100 | 100 | ||||||||||
| 面积 | mm | — | 300*230 | 300*230 | 350*300 | 450*310 | 500*350 | 650*420 | 710*480 | 810*480 | 810*480 | ||||||||||
| 标准配置 | 选择配置 | ||
| 油压式过载保护装置 | S | 电动式黄油润滑装置 | O |
| 手动黄油润滑装置 | S | 气压模垫装置 | O |
| 变频器 | S | 快速换模装置(举模器、夹模器或移模臂) | O |
| 手动式滑块调整装置(ALP60及以下) | S | 滑块上部打料装置 | O |
| 电动式滑块调整装置(ALP80及以上) | S | 防震脚 | O |
| 机械式模高显示器(ALP60及以下) | S | 光电保护装置 | O |
| 电动式模高显示器(ALP80及以上) | S | 送料机(空气、机械及Nc各类) | O |
| 滑块及模具平衡装置 | S | 料架 | O |
| 电子凸轮开关 | S | 矫平机 | O |
| 空气源接头 | S | 机械手 | O |
| 二度落保护装置 | S | 前送料轴端(Ap-80及以上) | O |
| 维护工具及工具箱 | S | 左(右)侧送料轴端 | O |
| 预载计数器 | S | ||
| 预断计数器 | S | ||
| 误送检知插座 | S | ||
| 电源插座 | S | ||
| 前送料轴端(AIp-60及以下) | S | ||
| 模县照明装置 | S | ||


| 规格 | ALP-25 | ALP-35 | ALP-45 | ALP-60 | ALP-80 | ALP-110 | ALP-160 | ALP-200 | ALP-260 | ALP-315 | ||||||||||
| 型式 | v | H | v | H | v | H | v | H | v | H | v | H | v | H | v | H | v | H | v | H |
| AA | 840 | 900 | 950 | 1000 | 1170 | 1290 | 1390 | 1680 | 1850 | 1800 | ||||||||||
| AB | 700 | 800 | 790 | 860 | 980 | 1100 | 1200 | 1400 | 1560 | 1600 | ||||||||||
| AC | 368 | 500 | 550 | 600 | 690 | 800 | 870 | 980 | 1050 | 1000 | ||||||||||
| AD | 680 | 800 | 850 | 900 | 1000 | 1150 | 1250 | 1400 | 1500 | 1700 | ||||||||||
| AE | 408 | 488 | 502 | 526 | 544 | 616 | 600 | 800 | 900 | 1000 | ||||||||||
| AF | 470 | 520 | 560 | 700 | 770 | 910 | 990 | 1130 | 1130 | 1200 | ||||||||||
| AG | 540 | 620 | 670 | 720 | 780 | 920 | 990 | 1150 | 1280 | 1390 | ||||||||||
| AH | 920 | 900 | 1040 | 1090 | 1328 | 1458 | 1559 | 1790 | 1945 | 1950 | ||||||||||
| BA | 1150 | 1200 | 1400 | 1420 | 1595 | 1720 | 2070 | 2250 | 2360 | 2690 | ||||||||||
| BB | 910 | 1050 | 1250 | 1220 | 1295 | 1320 | 1770 | 1840 | 2090 | 2330 | ||||||||||
| BC | 1390 | 1450 | 1650 | 1670 | 1820 | 1970 | 2285 | 2465 | 2585 | 2900 | ||||||||||
| HA | 715 | 702 | 702 | 700 | 732 | 711 | 752 | 826 | 802 | 780 | ||||||||||
| HB | 795 | 790 | 790 | 785 | 830 | 830 | 900 | 995 | 1030 | 1000 | ||||||||||
| HC | 200 | 215 | 220 | 235 | 250 | 265 | 310 | 340 | 340 | 380 | 360 | 410 | 460 | 510 | 460 | 510 | 500 | 550 | 500 | 550 |
| HD | 60 | 30 | 70 | 40 | 80 | 50 | 120 | 60 | 150 | 70 | 180 | 80 | 200 | 90 | 200 | 100 | 250 | 150 | 250 | 150 |
| HE | 2125 | 2300 | 2390 | 2750 | 3005 | 3218 | 3610 | 4058 | 4433 | 4600 | ||||||||||
| HF | / | / | / | / | 1505 | 1489 | 1619 | 1650 | 1670 | 1540 | ||||||||||
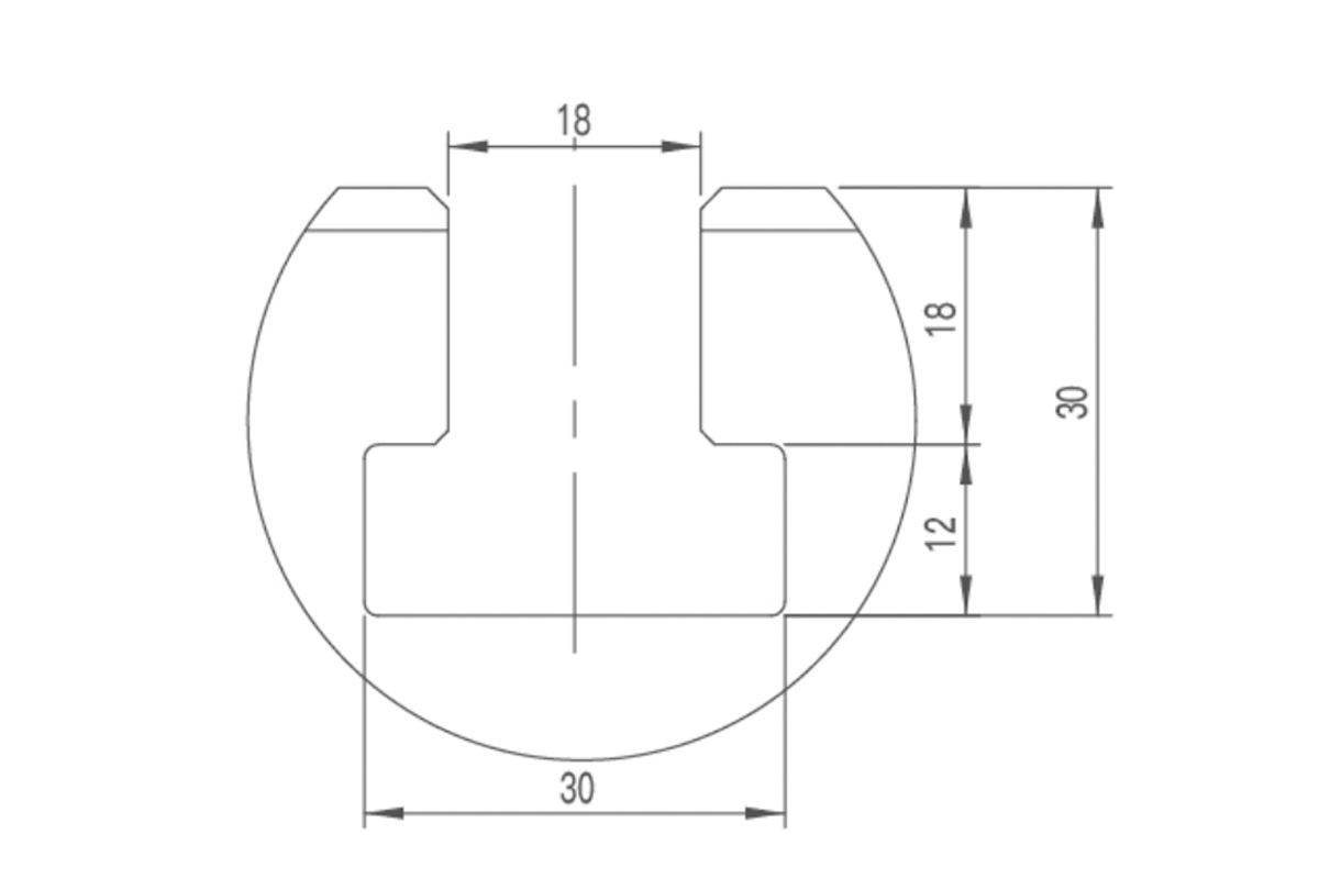
| ΦH | Φ18 | Φ18 | Φ23 | Φ23 | Φ28 | Φ28 | Φ35 | Φ33 | Φ40 | Φ40 | ||||||||||

| 规格 | A | B | C | D | E | F | H | I | J | K | L | T型沟 |
| ALP-25 | 260 | 130 | 90 | 680 | 300 | 470 | 220 | / | 150 | Φ38 | 80 | Ⅰ |
| ALP-35 | 280 | 140 | 120 | 800 | 400 | 520 | 250 | / | 160 | Φ38 | 100 | Ⅰ |
| ALP-45 | 300 | 150 | 120 | 850 | 440 | 560 | 300 | 180 | / | Φ38 | 120 | Ⅰ |
| ALP-60 | 320 | 160 | 150 | 900 | 500 | 700 | 350 | 220 | / | Φ50 | 160 | Ⅱ |
| ALP-80 | 360 | 180 | 150 | 1000 | 550 | 770 | 420 | 300 | 220 | Φ50 | 180 | Ⅱ |
| ALP-110 | 400 | 200 | 160 | 1150 | 600 | 910 | 470 | 300 | 220 | Φ50 | 220 | Ⅱ |
| ALP-160 | 440 | 220 | 220 | 1250 | 800 | 990 | 550 | 300 | 175 | Φ65 | 220 | Ⅱ |
| ALP-200 | 480 | 240 | 280 | 1400 | 820 | 1130 | 630 | 420 | 200 | Φ65 | 300 | Ⅱ |
| ALP-260 | 520 | 260 | 290 | 1500 | 840 | 1130 | 700 | 420 | 200 | Φ65 | 300 | Ⅱ |
| ALP-315 | 520 | 260 | 300 | 1800 | 960 | 1200 | 800 | 420 | 200 | Φ70 | 300 | Ⅱ |